Borne d'arcade murale


Conception et fabrication d’une borne d'arcade pour jouer à des jeux retro :
un projet mêlant informatique, design et fabrication en bois

Objectifs

  1. Pouvoir jouer à des jeux retro
  2. Retrouver l'ergonomie globale d'une borne d'arcade
  3. Être assez performant pour avoir une bonne fluidité des jeux
  4. Avoir une belle allure, avoir un côté esthétique qui me plaît
  5. Pouvoir la déplacer ou la fixer sur un mur

Etapes clés du projet

Contexte

Mobirise Website Builder

Borne d'arcade récupérée

L'idée m'est venu du fait que j'ai eu l'occasion de récupérer une borne d'arcade que quelqu'un avait fabriquer lui-même. J'ai voulu un rendu plus personnel. Et niveau encombrement, elle était trop grande pour la place que j'avais à disposition.
J'ai donc décidé de la refaire mais selon mes critères.

Comment jouer à des jeux rétro

Mobirise Website Builder

Il existe une plateforme rétrogaming open-source qui permet de jouer sur un ordinateur ou un Raspberry Pi à des jeux retro qui étaient disponible sur certaines consoles à l'époque. Ce logiciel s'appelle Recalbox.
Il permet d'avoir des anciennes consoles virtuelles sur un même ordinateur.

Conception 3D

Mobirise Website Builder

CAO générale

Analyse de l'existant

J'ai tout d'abord regardé sur internet les différentes formes qui existaient pour que cela ressemble le plus à une vraie borne d'arcade.
Les positions des boutons aussi étaient importantes sachant que je n'en ai récupéré que 6 par joueur sans compter le joystick.

Mobirise Website Builder

CAO de la structure

Conception de la structure

La structure est entièrement en bois, donc un assemblage de planches et de tasseaux pour la rigidité et la facilité du montage.

Plans de fabrication

Mobirise Website Builder

CAO générale

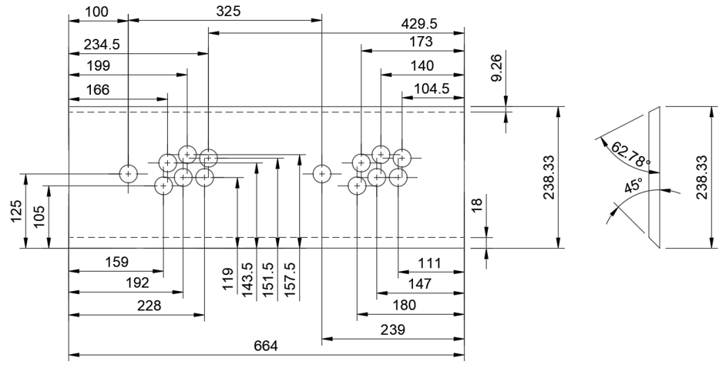
Plans de cotation de la borne d'arcade

J'ai réalisé un premier plan à l'échelle 1:1 qui m'a permis d'avoir la bonne forme pour le contour des flans et de pointer les différentes positions des tasseaux sur une grande planche.
Les autres plans sont ceux des autres planches qui ont des angles de découpe spécifiques et/ou qui intègrent précisément des éléments comme les boutons ou l'écran.

Les plans que j'ai fait sont disponible ici.
Il n'y a pas forcément tout mais c'est ce dont j'ai eu besoin.

Fabrication

Mobirise Website Builder

La borne d'arcade complète

En suivant les plans, j'ai pu découper en majorité dans les planches de l'ancienne borne d'arcade car le bois était de bonne qualité. Il s'agit de MDF : facile à couper proprement mais générant beaucoup de poussières lors de la découpe.
J'ai aussi mis 4 haut-parleurs dans un caisson situé sur la partie supérieure de la borne pour avoir un meilleur son.

Mobirise Website Builder

Fixation murale

Pour fixer la borne d'arcade sur un mur, j'ai opté pour une planche fixée sur la borne qui viendrait se loger dans une cornière solidaire du mur. Cette cornière est vissée sur le flan d'une planche assez large pour que le poids soit réparti sur une plus grande surface sur le mur. J'ai choisi de prendre une cornière en aluminium pour le côté esthétique et parce que j'avais la bonne dimension en stock.
J'ai aussi pensé à rajouter des patins en feutrine sur la borne d'arcade pour ne pas abîmer celle-ci et le mur.
Je n'avais pas dessiné sur un logiciel de CAO cette partie car je n'avais pas encore réfléchi à la façon de faire.

Rendu final

Voici un aperçu d'un jeu d'arcade auquel j'ai pu jouer : Super Mario Bros sur Nintendo.
Il y plein d'autres jeux avec lesquels je peux m'amuser, et c'est vraiment plaisant.

A travers ce projet j'ai pu approfondir mes compétences en conception 3D et en création de plans.

super Mario Bros

Free AI Website Software